JVID

English   |

入党积极分子确定为发展对象登记表样例及撰写指南

  作者:地学学院党委     日期:2021-10-20   点击数:  

此份文件部分同学无需填写。

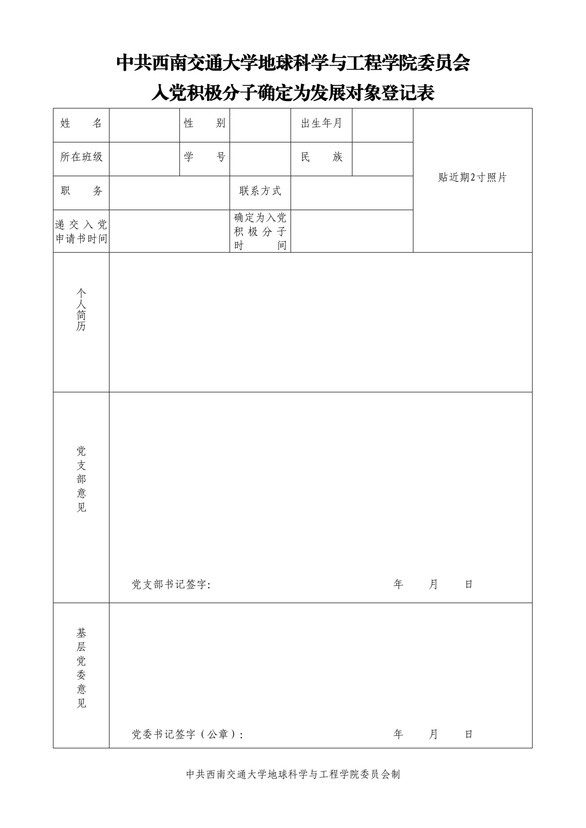
请同学们核查自己的《培养教育考察登记表》中第7页是否包括“确定为发展对象的党组织意见”,如下图所示。如是,则同学使用的是自2023年12月份起下发的新版《培养教育考察登记表》,新版《登记表》中已包含确定为发展对象有关记录,无需再填写此份文件存入档案。

入党积极分子确定为发展对象登记表样例


入党积极分子确定为发展对象登记表撰写指南

原表见附件,A4单面打印。